+7 499 755-83-70, +7 495 620-58-22
скачать каталог в PDF
info@old.epoksi.ru
О компании
Продукция
Адаптеры
Изоляторы опорные
Изоляторы проходные
Устройства контроля напряжения
Контроль температуры и влажности
Комплектующие
Концевые кабельные муфты
Изоляционные перегородки
Индикаторы частичных разрядов
Индикаторы ТКЗ
Коммутационные аппараты 0,4-10 кВ
Статические контакты
Втычные контакты
Трубы контактов
Тележки выкатные
Разъединители
Токопроводы
Шторочный механизм
Быстродействующий заземляющий разъединитель
Комплектные распредустройства
Выключатели концевые
Фурнитура
Предохранители высоковольтные
Разъединители постоянного тока
Услуги
Ретрофит
Монтаж электрооборудования
Обработка металла
Технология
Подготовка смеси
Литье
Спекание
Испытание
Документация
Таблицы взаимозаменяемости изоляторов
Каталоги
Нормативные документы
3D-модели
Экранирование
Контактная информация
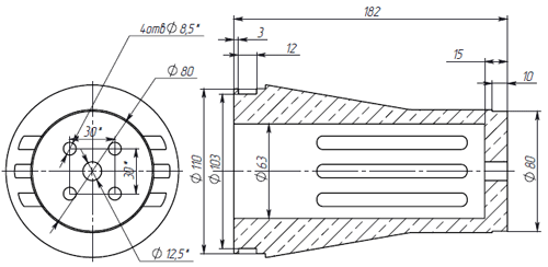
Труба контакта ТК-3150
Скачать 3D-модель для SolidWorks
Скачать чертеж в формате PDF