+7 499 755-83-70, +7 495 620-58-22

скачать каталог в PDF  info@old.epoksi.ru

 

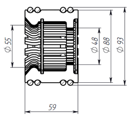
Втычной контакт РТ-1600

Кол-во ламелей, шт. - 36
Все размеры указаны для розетки в состоянии "одета на контакты"