+7 499 755-83-70, +7 495 620-58-22


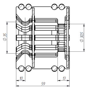
1000А (диаметр 36мм, предназначен для замены втычного контакта в ячейках КРУ КМВ-1, КМ-1Ф, КМ-1, К-47, К-59, К-63, К-104, К-105, К-108)
Кол-во ламелей, шт. -24
Все размеры указаны для розетки в состоянии "одета на контакты"