Камеры сборные одностороннего обслуживания на напряжение 6–10 кВ и токи до 1600 А с выключателем среднего расположения

Преимущества:
- простота и надежность конструкции, за счет использования самых передовых технологий в проектировании, использовании в производственном цикле новейшего технологического оборудования
- удобство и монтажа и простота наладки
- возможность применения коммутационных аппаратов таких производителей как ABB (в базовой комплектации), Siemens, Schneider Electric, Таврида Электрик, VS1(ZN63) Китай
- возможность установки моторных приводов выкатного элемента и заземляющего разъединителя
- применение как воздушной так и комбинированной изоляции
- исполнение ячеек как с односторонним, так и с двусторонним обслуживанием
- повышенная безопасность для эксплуатирующего персонала, за счет полной локализации отсеков и установки клапанов сброса избыточного (п. 3, рис. 1), применения блокировок и специальных конструкций дверей
- удобство обслуживания за счет использования быстросъемной центральной перегородки(п. 1, рис. 1) и быстрого доступа к трансформаторам тока (п. 2, рис. 1);
- возможность установки всех типов современных микропроцессорных защит
- эргономичный дизайн
- многообразия типовых решений для организации подстанций с использованием производимого оборудования
- гарантийный срок – 5 лет


Рис. 1 Особенности конструкции КСО 10 кВ
1. Быстросъемная перегородка;
2. Доступ к трансформаторам тока;
3. Клапаны сброса избыточного давления
Технические параметры КСО 10 кВ
| Наименование параметра | Значение |
| Номинальное напряжение, кВ | 6; 10 |
| Наибольшее рабочее напряжение, кВ | 7,2; 12 |
| Номинальный ток, А | ...1250 |
| Номинальный ток сборных шин, А | ...1600 |
| Номинальный ток отключения выключателя, кА | ...25 |
| Ток термической стойкости (кратковременный ток), кА х 3 сек | ...25 |
| Номинальный ток электродинамической стойкости, кА х 1 сек | ...50 |
| Номинальное напряжение вспомогательных цепей , В | переменного оперативного тока — 220 постоянного оперативного тока — 220 цепи трансформаторов напряжения — 100 цепи освещения внутри камер — 12 цепи трансформаторов собственных нужд — 380 |
| Габаритные размеры | Высота, мм 2100 Ширина, мм 650 Глубина, мм 1000 |
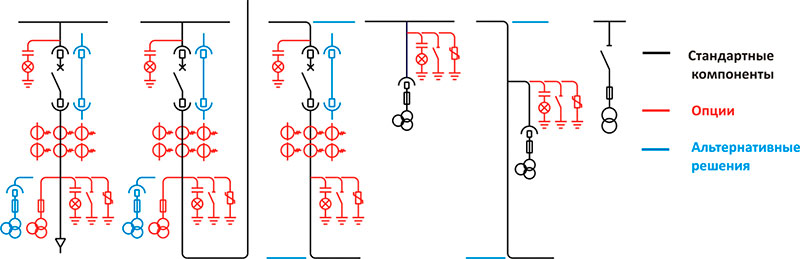
Типовая схема компоновки КСО 10 кВ:

Типовые однолинейные схеме КРУ 10 кВ:
