Комплектные распределительные устройства 6-10 Кв до 4000 А с выключателем среднего расположения

Преимущества:
- простота и надежность конструкции, за счет использования самых передовых технологий в проектировании, использовании в производственном цикле новейшего технологического оборудования
- удобство и монтажа и простота наладки
- возможность применения коммутационных аппаратов таких производителей как ABB (в базовой комплектации),Siemens, SchneiderElectric, Таврида Электрик возможность установки моторных приводов выкатного элемента и заземляющего разъединителя
- применение как воздушной так и комбинированной изоляции
- исполнение ячеек как с односторонним, так и с двусторонним обслуживанием
- удобство обслуживания за счет использования быстросъемных перегородок и повышенная безопасность для эксплуатирующего персонала, за счет применения блокировок и специальных конструкций дверей
- возможность установки всех типов современных микропроцессорных защит
- активная мнемосхема в базовой комплектации
- эргономичный дизайн
- гарантийный срок – 5 лет.
Технические параметры КРУ 10 кВ
| Наименование параметра | Значение |
| Номинальное напряжение, кВ | 6; 10 |
| Наибольшее рабочее напряжение, кВ | 7,2; 12 |
| Номинальный ток, А | ...4000 |
| Номинальный ток сборных шин, А | ...4000 |
| Номинальный ток отключения выключателя, кА | ...40 |
| Ток термической стойкости (кратковременный ток), кА х 3 сек | ...40 |
| Номинальный ток электродинамической стойкости, кА х 1 сек | ...81 |
| Габаритные размеры | Высота, мм 2200 Ширина, мм 650/750/800/1000 Глубина, мм 1350 |
Типовая схема компоновки КРУ 10 кВ с вакуумным выключателем среднего расположения:

A – Отсек выключателя
B – Отсек сборных шин
C – Кабельный отсек
D – Релейный отсек
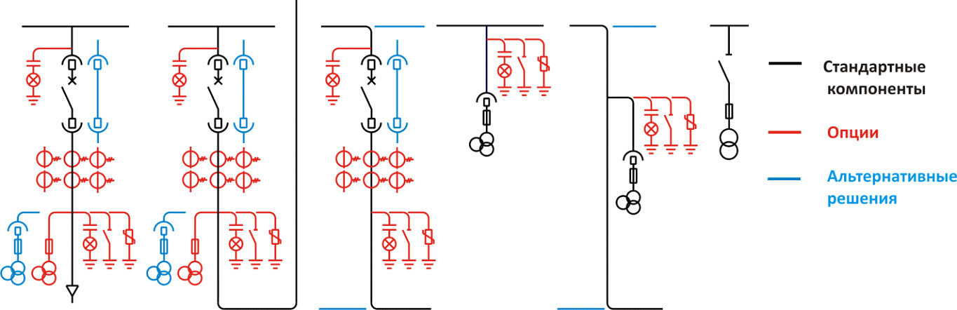
Типовые однолинейные схеме КРУ 10 кВ ИРиС:
