+7 499 755-83-70, +7 495 620-58-22


Технические характеристики
| Параметр | Значение |
|---|---|
| Номинальное рабочее напряжение, кВ | 35 |
| Максимальное рабочее напряжение, кВ | 42 |
| Испытательное одноминутное напряжение промышленной частоты, кВ | 95 |
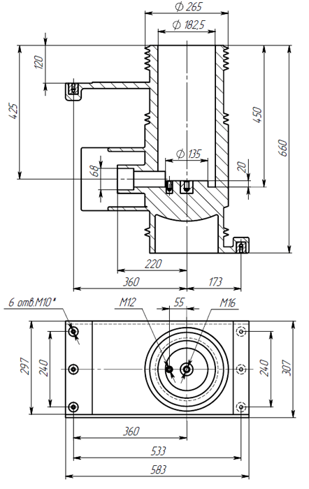
| Масса, кг | 43,95 |
| Климатическое исполнение, категория размещения | УХЛ 2 |
В соответствии с пожеланиями заказчика: