+7 499 755-83-70, +7 495 620-58-22

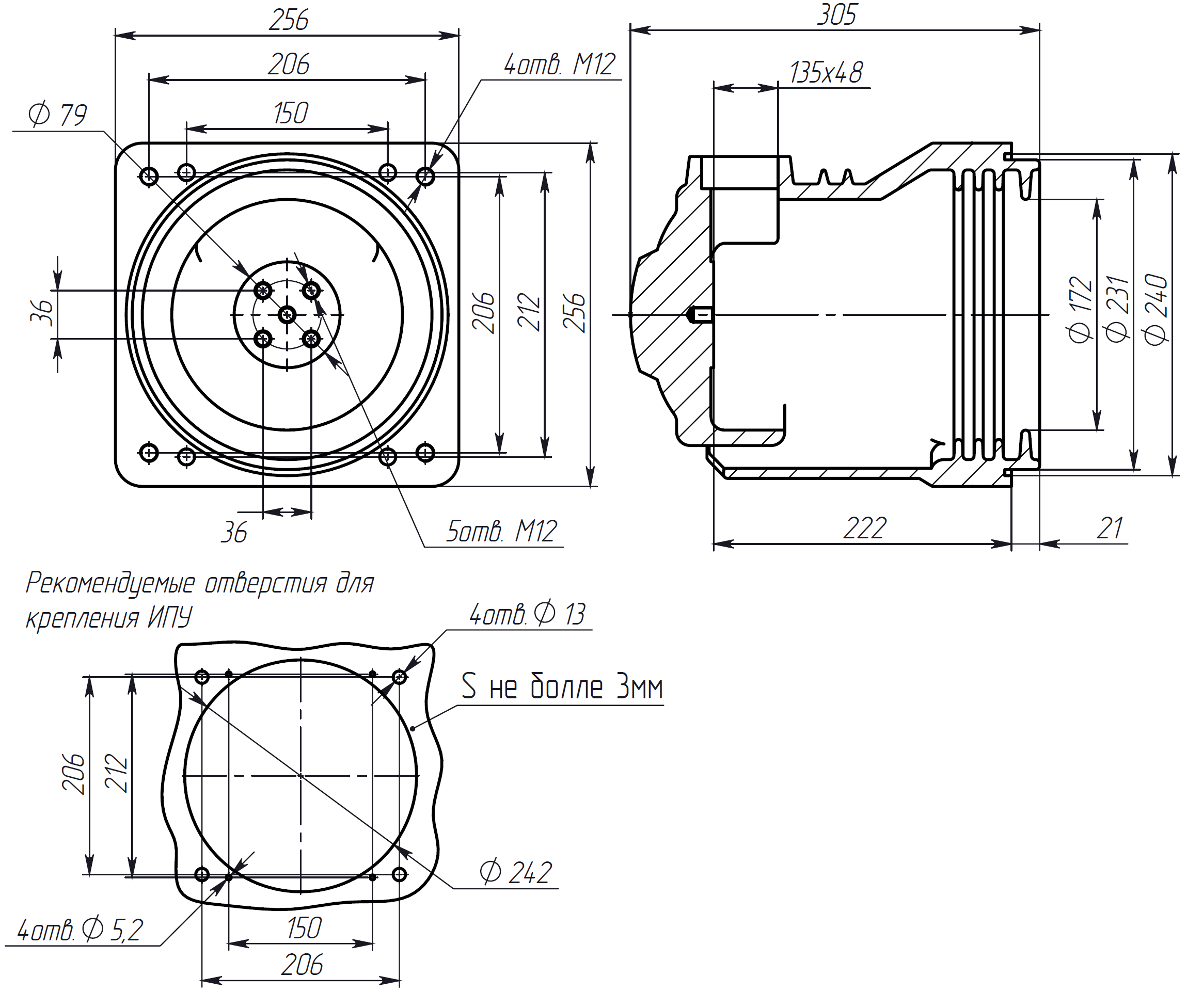
Технические характеристики
| Параметр | Значение |
|---|---|
| Номинальное рабочее напряжение, кВ | 10 |
| Максимальное рабочее напряжение, кВ | 12 |
| Номинальный рабочий ток, А | 2500~4000 |
| Испытательное одноминутное напряжение промышленной частоты, кВ | 42 |
| Масса, кг* | 7,1 |
| Климатическое исполнение, категория размещения | УХЛ 2 |
В соответствии с пожеланиями заказчика:
* Параметр зависит от резьбы и материала закладных деталей.